產品分類
最新產品
熱銷產品
聯系我們
電源鑰匙開關
|
12mm Keylock Switches/PBM-12K Series
SPECIFICATIONS
Contact Rating: 1A 125VAC,0.5A 250VAC Electrical Life: 50,000 cycles
Contact Resistance: 10Milli-Ohms Max.
Dielectric Strength: 500 Vrms @sea level. |
|
.jpg)
.jpg)
.jpg)
Description
S106 S116 DESCRIPTION
. Zinc alloy die cast housing and cylinder.
. Bright chrome plated standard.
. 4 pin tumbler mechanism.
. Zinc alloy tubular keys, chrome plated.
. Silver plated contacts and terminals.
. S106 2 position (off-on) 2 terminals.
. S116 2 position (on-on) 4 terminals.
. Hex nut mounted.
.jpg)
.jpg)

Description
S126 S146 DESCRIPTION
. Zinc alloy die cast housing and cylinder.
. Bright chrome plated standard.
. 4 pin tumbler mechanism.
. Steel made tubular keys, nickel plated.
. Silver plated contacts and terminals.
. S126 2 position (off-on) 2 terminals.
. S146 2 position (on-on) 4 terminals.
. Hex nut mounted.

.jpg)
.jpg)
Description
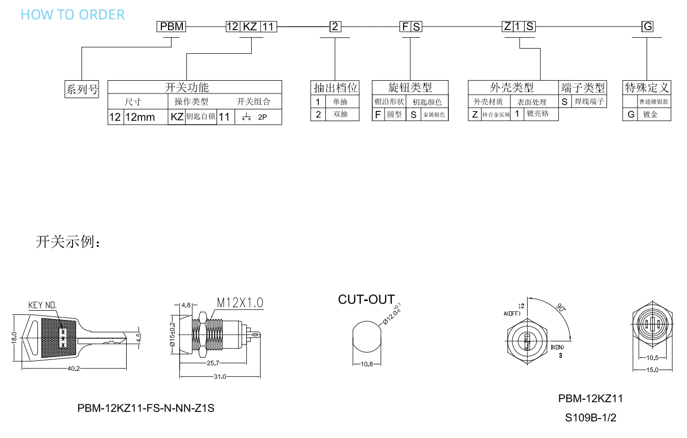
S109B DESCRIPTION
. Zinc alloy die cast housing and plastic cylinder.
. Stainless steel capped bezel.
. Chrome plated standard.
. 4 disc tumbler mechanism.
. Brass keys, nickel plated.
. Silver plated contacts and terminals.
. 2 position (off-on) 2 terminals.
. Hex nut mounted.

.jpg)

Description
S109B DESCRIPTION
. Zinc alloy die cast housing and plastic cylinder.
. Stainless steel capped bezel.
. Chrome plated standard.
. 4 disc tumbler mechanism.
. Brass keys, nickel plated.
. Silver plated contacts and terminals.
. 2 position (off-on) 2 terminals.
. Hex nut mounted.

.jpg)

Description
. Zinc alloy die cast housing and cylinder.
. Stainless steel capped bezel.
. Nickel plated standard.
. 4 disc tumbler mechanism.
. Brass keys, nickel plated.
. Various key withdrawals available.
. Silver plated contacts and terminals.
. Hex nut mounted.
. All keyed alike or 20 combinations standard.
. 20 combinations available.


| * 聯系人: | 請填寫您的真實姓名 |
| 公司名稱: | 請填寫您的公司名稱 |
| 聯系電話: | |
| * 手機號碼: | 請填寫您的手機號碼 |
| 電子郵件: | |
| 聯系地址: | |
| * 采購意向描述: | |
| 請填寫采購的產品數量和產品描述,方便我們進行統一備貨。 | |
跟此產品相關的產品
熱門資訊
- 2025-03-08花香四溢,美麗綻放——德崧D-SWIT....
- 2024-07-032024慕尼黑上海電子展邀請函(7月8....
- 2024-04-23如何保護人機界面免受風沙、泥漿和....
- 2024-04-20第89屆CMEF中國國際醫療器械博覽會....
- 2023-06-26D-SWITCH德崧開關亮相2023CESC中國....
- 2023-05-16D-SWITCH德崧推出19mm大電流15A急停...
- 2023-04-10新十年再出發,第十一屆中國電子信....
- 2023-03-28D-SWITCH 誠邀您參加2023年IT...
- 2023-03-24D-SWITCH確立在農業機械開關市場的....
- 2022-11-05清潔能源儲能系統離不開高性能的電....
| 評 價: |
好評
中立
差評
|
||||||||||||
| 表 情: |
|








好評
中立
差評













