產品分類
最新產品
熱銷產品
聯系我們
東莞市德崧電子有限公司
總 機:086+0769-83008032
電 話:086+0769-81326026(業務直線)
傳 真:086+0769-81326036
地 址:廣東省東莞市石碣橫滘工業區
東莞工廠(China Factroy )
業務部
趙小姐:18103065197
王小姐:15019113756
羅小姐:13925518297
張小姐:18102932959
市場部
王經理:13688914159
深圳業務聯絡處
房小姐:13392885891
華東地區業務聯絡處
周先生:13113298555
車用按鍵開關
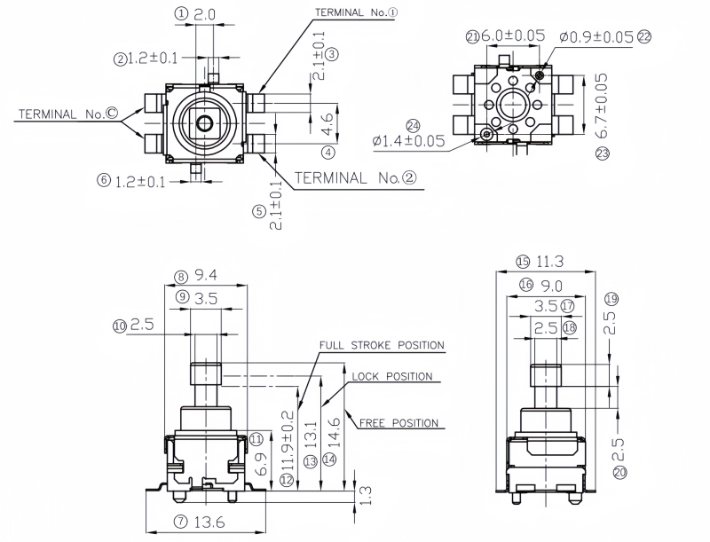
產品詳情
Tact Switches / DS9001 Series
SAFETY/QUALITY APPROVALS:ROHS
Specification
Contact Rating: 50mA 12V DC Max
Mechanical Life: 100,000 cycles
Electrical Life: 50,000 cycles make-and-break cycles.
Travel: About 2.7mm
Operation Pressure: About 300gf or 500gf
Contact Resistance: 50 mΩ max.
Insulation Resistance: 100MΩ min.
Dielectric Strength: 100 Vrms @sea level.
Operating Temperature: -40°C to 85°C





* 表示必填
采購:車用按鍵開關
| * 聯系人: | 請填寫您的真實姓名 |
| 公司名稱: | 請填寫您的公司名稱 |
| 聯系電話: | |
| * 手機號碼: | 請填寫您的手機號碼 |
| 電子郵件: | |
| 聯系地址: | |
| * 采購意向描述: | |
| 請填寫采購的產品數量和產品描述,方便我們進行統一備貨。 | |
跟此產品相關的產品
熱門資訊
- 2025-03-08花香四溢,美麗綻放——德崧D-SWIT....
- 2024-07-032024慕尼黑上海電子展邀請函(7月8....
- 2024-04-23如何保護人機界面免受風沙、泥漿和....
- 2024-04-20第89屆CMEF中國國際醫療器械博覽會....
- 2023-06-26D-SWITCH德崧開關亮相2023CESC中國....
- 2023-05-16D-SWITCH德崧推出19mm大電流15A急停...
- 2023-04-10新十年再出發,第十一屆中國電子信....
- 2023-03-28D-SWITCH 誠邀您參加2023年IT...
- 2023-03-24D-SWITCH確立在農業機械開關市場的....
- 2022-11-05清潔能源儲能系統離不開高性能的電....
發表評論
請自覺遵守互聯網相關的政策法規,嚴禁發布色情、暴力、反動的言論。
| 評 價: |
好評
中立
差評
|
||||||||||||
| 表 情: |
|
驗證碼:
最新評論










好評
中立
差評













